- Nuevo
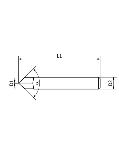
Serie GR9000 con punta cónica para el GRABADO de todo tipo de materiales. Excepto acero inoxidable y metales ferrosos.
Materiales:
+ Plástico
+ Madera
+ Aluminio
| Serie GR9000 | D1 (mm) | D2 (mm) | L1 (mm) | a Ángulo | z |
| GR9001 | 0,3 | 3 | 40 | 15° | 1 |
| GR9002 | 0,3 | 6 | 30 | 15° | 1 |
| GR9003 | 0,4 | 3 | 40 | 15° | 1 |
| GR9004 | 0,5 | 3 | 40 | 15° | 1 |
| GR9005 | 0,5 | 6 | 30 | 15° | 1 |
| GR9006 | 0,2 | 4 | 40 | 36° | 1 |
| GR9007 | 0,2 | 6 | 40 | 36° | 1 |
| GR9008 | 0,3 | 4 | 40 | 36° | 1 |
| GR9009 | 0,3 | 6 | 40 | 36° | 1 |
| GR9010 | 0,4 | 3 | 40 | 36° | 1 |
| GR9011 | 0,4 | 4 | 40 | 36° | 1 |
| GR9012 | 0,5 | 3 | 40 | 36° | 1 |
| GR9013 | 0,5 | 4 | 40 | 36° | 1 |
| GR9014 | 0,1 | 3 | 40 | 60° | 1 |
| GR9015 | 0,2 | 4 | 40 | 60° | 1 |
| GR9016 | 0,3 | 4 | 40 | 60° | 1 |
| GR9017 | 0,4 | 6 | 40 | 60° | 1 |
| GR9018 | 0,5 | 6 | 40 | 60° | 1 |
| GR9019 | 0,1 | 3 | 40 | 90° | 1 |
| GR9020 | 0,1 | 6 | 40 | 90° | 1 |
| GR9021 | 0,2 | 6 | 40 | 90° | 1 |
| GR9022 | 0,3 | 6 | 40 | 90° | 1 |
| GR9023 | 0,5 | 6 | 40 | 90° | 1 |
| GR9024 | 0,7 | 6 | 40 | 90° | 1 |
Serie cónica especial para chaflanado, plegado y grabado de plásticos. Su geometría helicoidal permite acabados perfectos en todo tipo de materiales plásticos.
Fresa de metal duro con hélice helicoidal micro pulida que facilita la rápida eyección de la viruta, dejando las superficies de grabado limpias y sin rebabas, tanto en materiales plásticos como metales no ferrosos. (*) Las referencias con D2 = 8mm, presentan un filo de corte parcialmente cilíndrico tras el filo cónico, esto permite mayores profundidades de inmersión (L2). Ideal para grabado y plegado de:
- Metacrilato de colada o extrusión.
- PC, PVC, PVC Espumado, PP, PA, PE, ABS, etc.
- Materiales Solid Surface:
Corian®, Krion®, etc.
- Aluminio y composites de aluminio: Dibond®, Alucobond®, etc.
- Cobre, latón, zinc, etc.
Serie GR9000 con punta cónica para el GRABADO de todo tipo de materiales. Excepto acero inoxidable y metales ferrosos.
Materiales:
+ Plástico
+ Madera
+ Aluminio
Utilizamos cookies para mejorar nuestros servicios, hacer ofertas personales y mejorar su experiencia. Si no acepta las cookies opcionales que se indican a continuación, su experiencia puede verse afectada. Si quieres saber más, por favor, lea la Política de Cookies.