- New
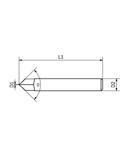
GR9000 series with conical tip for ENGRAVING all types of materials. Except for stainless steel and ferrous metals.
Materials:
+ Plastic
+ Wood
+ Aluminium
| Serie GR9000 | D1 (mm) | D2 (mm) | L1 (mm) | a Ángulo | z |
| GR9001 | 0,3 | 3 | 40 | 15° | 1 |
| GR9002 | 0,3 | 6 | 30 | 15° | 1 |
| GR9003 | 0,4 | 3 | 40 | 15° | 1 |
| GR9004 | 0,5 | 3 | 40 | 15° | 1 |
| GR9005 | 0,5 | 6 | 30 | 15° | 1 |
| GR9006 | 0,2 | 4 | 40 | 36° | 1 |
| GR9007 | 0,2 | 6 | 40 | 36° | 1 |
| GR9008 | 0,3 | 4 | 40 | 36° | 1 |
| GR9009 | 0,3 | 6 | 40 | 36° | 1 |
| GR9010 | 0,4 | 3 | 40 | 36° | 1 |
| GR9011 | 0,4 | 4 | 40 | 36° | 1 |
| GR9012 | 0,5 | 3 | 40 | 36° | 1 |
| GR9013 | 0,5 | 4 | 40 | 36° | 1 |
| GR9014 | 0,1 | 3 | 40 | 60° | 1 |
| GR9015 | 0,2 | 4 | 40 | 60° | 1 |
| GR9016 | 0,3 | 4 | 40 | 60° | 1 |
| GR9017 | 0,4 | 6 | 40 | 60° | 1 |
| GR9018 | 0,5 | 6 | 40 | 60° | 1 |
| GR9019 | 0,1 | 3 | 40 | 90° | 1 |
| GR9020 | 0,1 | 6 | 40 | 90° | 1 |
| GR9021 | 0,2 | 6 | 40 | 90° | 1 |
| GR9022 | 0,3 | 6 | 40 | 90° | 1 |
| GR9023 | 0,5 | 6 | 40 | 90° | 1 |
| GR9024 | 0,7 | 6 | 40 | 90° | 1 |
Special conical series for chamfering, folding and engraving plastics. Its helical geometry allows for perfect finishes on all types of plastic materials.
Carbide cutter with micro-polished helical helix that facilitates rapid chip ejection, leaving engraved surfaces clean and burr-free, both in plastics and non-ferrous metals. (*) References with D2 = 8 mm have a partially cylindrical cutting edge behind the conical edge, allowing for greater immersion depths (L2). Ideal for engraving and folding:
- Cast or extruded methacrylate.
- PC, PVC, foamed PVC, PP, PA, PE, ABS, etc.
- Solid surface materials: Corian®, Krion®, etc.
- Aluminium and aluminium composites: Dibond®, Alucobond®, etc.
- Copper, brass, zinc, etc.
GR9000 series with conical tip for ENGRAVING all types of materials. Except for stainless steel and ferrous metals.
Materials:
+ Plastic
+ Wood
+ Aluminium
We use cookies to improve our services, make personal offers, and enhance your experience. If you do not accept optional cookies below, your experience may be affected. If you want to know more, please, read the Cookie Policy.