- New
PCD100 series, high-density polycrystalline diamond cutter with high wear resistance. Its design is highly stable, allowing high cutting performance when machining different materials such as:
- Wood and wood derivatives (MDF, melamine chipboard, etc.).
- High-pressure laminates (HPL), Bakelite, etc.
- Aluminium with high Si content and other non-ferrous metals.
- Carbon fibre, fibreglass, graphite, ceramic materials, etc.
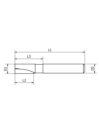
| Serie | D1 | D2 | L2 | L1 | L3 | |
| PCD100 | mm | mm | mm | mm | mm | z |
| Ref. | Metric | |||||
| PCD101 | 3 | 3 | 5 | 40 | 8 | 1 |
| PCD102 | 3 | 3 | 10 | 40 | 13 | 1 |
| PCD103 | 4 | 4 | 8 | 50 | 11 | 1 |
| PCD104 | 4 | 4 | 14 | 50 | 17 | 1 |
| PCD105 | 5 | 6 | 10 | 50 | 15 | 1 |
| PCD106 | 6 | 6 | 10 | 50 | 15 | 1 |
| PCD107 | 6 | 6 | 20 | 50 | 25 | 1 |
| PCD108 | 8 | 8 | 10 | 50 | 15 | 1 |
| PCD109 | 8 | 8 | 20 | 60 | 25 | 1 |
The PCM100 series with high-density polycrystalline diamond inserts, highly resistant to wear and with a specific sharpening that allows for a very sharp edge, ideal for polishing and achieving cutting surfaces with a high level of shine or transparency, depending on the material of the workpiece.
The PCM100 series can polish with both the tool's side and tip.
Suitable for cutting and engraving:
- Thermoplastics: PMMA, PC, PVC, PP, PE, ABS, etc.
- Aluminium and other non-ferrous metals.
- Wood and wood derivatives (MDF, melamine chipboard, etc.).
PCD100 series, high-density polycrystalline diamond cutter with high wear resistance. Its design is highly stable, allowing high cutting performance when machining different materials such as:
- Wood and wood derivatives (MDF, melamine chipboard, etc.).
- High-pressure laminates (HPL), Bakelite, etc.
- Aluminium with high Si content and other non-ferrous metals.
- Carbon fibre, fibreglass, graphite, ceramic materials, etc.
We use cookies to improve our services, make personal offers, and enhance your experience. If you do not accept optional cookies below, your experience may be affected. If you want to know more, please, read the Cookie Policy.